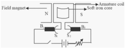
Draw a neat labeled diagram of a d.c. motor
Electricity and Magnetism (10)(i) Draw a neat labeled diagram of a d.c. motor.
(ii) Write any one use of a d.c. motor.
Answer
(i)

Coil, field magnet, split rings with brushes and D.C. supply
(ii) Washing machine, mixers, etc.
- Exam Year: 2020